Sunday, September 29, 2019

W4AMV's Beautiful Receiver


Hi Guys,

We had our Knightlites annual BBQ this past Saturday. I wanted to share one of the radios from one of my Elmer's, Alan Victor W4AMV.
Pictured is him standing beside the preselector and receiver.
I hadn't ever heard a Collins mechanical filter vs Murata crystal filter side by side. The Collins was amazing. Single signal extracted from the band. The rig is line powered with a built in power supply.
There is a note (pictured) that has some specs.
Alan's work is to be savored, true analog engineering at its best. I wanted to share it with you.

Chris
KD4PBJ



-------------------------------------

FROM W4AMV'S QRZ.COM PAGE:


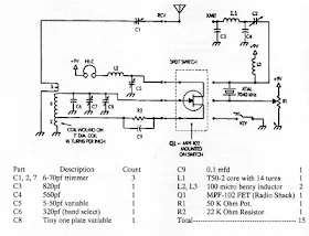
Here is a receiver that started out as a regen for the grandkids to copy code.
Digging through the junk box un convered parts that I forgot I had. Included a wide and narrow band set of filters. So, the unit wound up as a single conversion superhet. A fun radio to build as well to listen. The wide band filter provides super fidelity on sideband as well uncovers plenty of CW signals within a 10 kHz bandwith of the tuned frequency. A switch to either a 800 Hz audio filter or a 500 Hz CW filter permits focus on a single signal. I was going to package the whole unit, however I was prompted to leave it OPEN to show what makes it tick! 
Left side front is the RF preselector, mixer and pre amplifier with RF gain control. The rear double deck card is the IF and selectable wide and narrow band filters. The IF and pin diode IF gain control is bottom deck. The HF VFO is center stage with a 6:1 gear reduction. Right rear is power supply and voltage regulators. The active product detector and a BFO is just to the front of the power supply. The BFO is able to tune product detector output over a full 10 kHz of the IF. And finally the audio filter and 5 watt power amplifier. There is no AGC. Instead it is FUN to control every aspect of  gain control of the receiver; RF, IF and audio. Its a fun receiver to operate, dedicated to 40 meters and hopefully will spark the kids! 
Going forward a receiveing station is setup to copy code. Although a nice long high wire would be proper, I settled on something a little more compact. A 40 meter small loop, 2 turns, about 18 inches on a side is connected to the preselector thru a pickup wire. This arrangement works quite well. W1AW will knock the speaker off the desk if your not careful. However, rotation of the loop to the E-W knocks down W1AW to a whisper. The pix shows the little 25 W infinity speaker in a 8x8x8 inch cardboard box, works well and the single conversion receiver sporting a new front plexiglass panel is illuminated for evening tuning. 


------------------------------------------------










Loop antenna used with the receiver



Saturday, September 28, 2019

Radio Art -- Zenith Tube Ad


This ad was recently shown on the K9YA Telegraph.  I was wondering about its origins.  I asked noted thermatron guru Grayson Evans -- he referred the question to fellow tube guru and author Ludwell Sibley.  OM Ludwell gives us the origins: 


She’s in a promo for Zenith, an Italian prewar brand that sold European triodes of types originated by Philips, and a few equivalents of American types.  She’s based on classical Italian art.  Doing a high-wire act while holding a small early-‘20s European           radio! I have an 11 x 17 glossy color print framed on the wail in the display room.  I ran       her as the cover art in a long-ago issue of “Tube Collector.”  “Three cheers for the red,       white, and green!"
Ludwell Sibley is the editor of "The Tube Collector."   Great stuff.  Their web site is here: 

Sibley's book "Tube Lore" can be purchased here: 

https://www.amazon.com/Tube-lore-reference-users-collectors/dp/0965468305/ref=sr_1_1?keywords=Tube+Lore&qid=1569660647&sr=8-1

Thanks Grayson, Ludwell, and to the K9YA Telegraph. 




Sunday, September 22, 2019

Pete Juliano N6QW on Homebrewing and SDR (Video)



Pete recently spoke to the Peel (Canada) Radio Club about SDR and homebrew.  The first 13 minutes show the club members but then it shifts to Pete.  Great stuff. 


Monday, September 16, 2019

ONE VOLT rms Reaches New Hampshire from Virginia

 My son Billy was back from college over the weekend (he came back to help me celebrate the completion of yet another orbit of the sun).  I was showing him my 8 part rig and telling him that it puts out 20 mW.  He asked a good question (he is a scientist):  What is the voltage at the antenna terminal.  I checked:  ONE VOLT rms.   About 1.414 volts peak.  Think about that.  My transmitter is sending a signal to New Hampshire from Virginia on less than the voltage of  AA battery.  

Two more spots on the Reverse Beacon Network (see above).  Another skimmer station in New Hampshire.  My signals seem to like the granite state. 

Sunday, September 15, 2019

Virginia to New Hampshire (one way) on 8 Parts and 20 mW


Having gotten the regen receiver portion of the ET-1 transceiver working nicely, I'm now working on the transmitter.  This is a much easier circuit to get going. (Check out the right hand side of the schematic below --- that is the transmitter.)  I have not made any contacts yet, but yesterday I called CQ on 7050 kHz and watched the Reverse Beacon Network to see if any of the skimmer stations picked me up.  Success!   W3UA up in New Hampshire received my signals. 

I was running about 30 milliwatts to my doublet antenna. The transmitter consists of EIGHT parts.  And three of them are the low pass filter. 

Next step:   Bring the transmitter and receiver together by using the switching scheme that OM Yingling used.  The RX and TX will share the same single FET (MPF-102 or J-310) with all three leads from the FET switched from TX to RX.   Then I will try for the elusive QSO with a single FET. 

More ET-1 related posts here: https://soldersmoke.blogspot.com/search?q=ET-1





Saturday, September 14, 2019

16x2 in Juliano Blue! The CRAP Single Board Transceiver by N6QW (VIDEO)



Another amazing rig and another very useful acronym from the wizard of Newbury Park.   

More here: http://n6qw.blogspot.com/

Saturday, September 7, 2019

SolderSmoke Podcast 213 WE'RE BACK!

N6QW's Analog CW QRP Transceiver
SolderSmoke Podcast #213 is available. 

http://soldersmoke.com/soldersmoke213.mp3

7 September 2019

The dire consequences of our summer absence. 

50th PODCAST WITH OUR FRIEND PETE! 
THREE CHEERS FOR PETE! 

Pete's Bench Report

-- Transceiver Count:  FORTY!  
-- SDR RADIGS 
-- Colorful OLED screens
-- Pilgrims and Paisanos -- "Left Coast Homebrew SSB"
-- Pete builds a CW transceiver (see picture above)


Bill's Bench Report: 

-- Going minimalist
-- Tuna Tin 2 + Herring Aid 5 = Fish Soup 7 (and later 10)
-- My QRPp QSO with K1PUB overheard in Canada
-- Glen Yingling's ET-1 
-- Bill attempting a single transistor transceiver

SPACE NEWS

-- Antuino's Cubesat Origins. Farhan's Antuino Mods
-- Apollo 11 Anniversary
-- Possibly the best space book ever:  "Carrying the Fire" by Michael Collins
-- Chinese microsat sending eclipse pictures from the moon
-- LightSail 2 success
-- India has spacecraft in lunar orbit. 

Eric Sears ZL2BMI and Dino Papas KL0S on "QSO Today" Podcast

MAILBAG: 

ZL2PD's Sugar Cube VFO
N8WQ gets free samples
N5RWF Getting started, wisely wearing beret
VK2EMU Australian Ad for Collins Filters
W1PJE on new LDMOS PA transistors
KA4KXX Al Fresco 75 meter SSB rig with model plane engine mufflers!  

Forgot to mention:  W9TH still has manuals for whover owns Drake 2-B #4215.  Check your serial number!