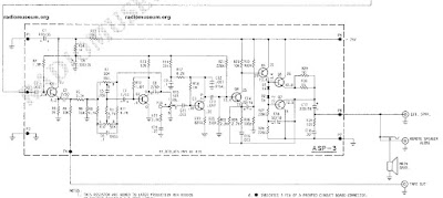
I've been working on this nice old FM receiver that Rogier PA1ZZ sent me. When I first tried it, it sounded terrible. I thought it might have been the speaker, but the speaker is fine. There was clearly something wrong in the AF amplifier. Schematic above. Click on it for a better view.
I ended up replacing the complementary pair of output transistors (Q6 and Q7) . The original had house brand designations -- I wasn't sure what to replace them with, so I just used a TIP29C and a TIP30C. With these transistors in there, the receiver sounds good. But the heat sink on the transistors is getting way too hot. I think the AF amplifier is now pulling about 1.4 amps, which is too much.
Another thing I did: I thought Q4 and Q5 might have been bad, so I replaced them with a 2n3904 and a 2n3906.Why do you guys think the heat sink is getting so hot? What should I do? The supply on this receiver is 25V DC.
Here is my guess - from a DC bias point of view, there is a loop consisting of D1, D2, and the VBE of Q6 and Q7 - i.e. if you start at the base of Q7, you go up two diodes (D1,D2), then you go down two "diodes" through the VBE of Q6 and Q7 back to where you started. If the VBE voltages of Q6 and Q7 don't match the two diode voltages, the difference voltage appears across the VBEs and if they are significantly different, you will get a large current through the Q6,Q7. I think if you don't want to change the design, you will need to better match the VBEs and diodes VF voltages to reduce the standing current. If you want to change the design, look at replacing the two diodes with a "VBE Multiplier" that will allow you to adjust the standing current.
ReplyDeleteYes. You can try temporarily shorting D1 or D2 (or both), and measuring current draw again. The lower the voltage drop across these, the less idle current you will have (at the expense of crossover distortion).
ReplyDeleteFunny that the schematic shows one of the diodes as silicon and one as germanium. That means that they were aiming for a specific combined voltage drop that was probably tuned to the transistors used.
Lacking emitter resistors for Q7, D2 is superfluous. It's a 'complementary-symmetry' circuit: each side of the 'symmetry' should match, so D1 alone is controlling the Ic. Other than that, for real symmetry, duplicate R29,30 for Q7 emitter and D2 becomes Si. Cheapo cost-cutting by design and device selection. :(
ReplyDeleteWow, thanks to both of you. Right on target. I Googled "VBE Multiplier" and was immediately sent to the YouTube channel of our friend Alan W2AEW. He has really great VBE Multiplier video: https://www.youtube.com/watch?v=Obh_PIC2qqo
ReplyDeleteI will try shorting the diodes and will probably build the simple VBE multiplier circuit so I can vary the bias and reduce the idle current. Thanks again. And thanks to Alan. 73 Bill
Further, given your replacement of Q6&7, both emitter resistances could go lower for more Oomph (if the power supply can deliver) :) I'm also wondering if Q6&7 were a matched pair or a Ge/Si approximation?
ReplyDeleteNote that D1 and D2 are silicon and germanium respectively. Maybe someone replaced the Ge diode with a silicon one, thus biasing the push-pull pair too much. In any case, setting up an adjustable Vbe multiplier and adjusting it would be a good way to go. Glad to know my video helped out!
ReplyDeleteI tried K0EET's idea, shorting D2. This had a dramatic impact on current draw -- it went from 1.15 amps down to about 50 milliamps. But as predicted I can hear some distortion. So tomorrow I will build the VBE multiplier circuit. Thanks to all. 73 Bill
ReplyDeleteI look forward to hearing your results!
Delete