Serving the worldwide community of radio-electronic homebrewers. Providing blog support to the SolderSmoke podcast: http://soldersmoke.com
Podcasting since 2005! Listen to Latest SolderSmoke
Wednesday, April 26, 2023
Retro QRP Rigs of the 1960's, 70's, and 80's -- Video by Mike WU2D
Sunday, December 11, 2016
Great Homebrew Interview on "QSO Today"
This week Eric 4Z1UG has a really nice interview with Jim Veatch WA2EUJ. Jim is the three time winner of the ARRL Homebrew Challenge. There is a very interesting discussion of Arduinos, SDR, the technology behind automatic antenna tuners, and even some Raspberry Pi. Jim's first receiver was a Halli S38 and his first rig was a Heath HW-7.
Listen here:
http://www.qsotoday.com/podcasts/WA2EUJ
Thanks Jim. Thanks Eric.
Wednesday, July 25, 2012
UPDATE: HW-7 Fixed After 36 Years
Tuesday, June 26, 2012
HW-7 fixed after 36 years!
-----------------
Bill,
Our book: "SolderSmoke -- Global Adventures in Wireless Electronics" http://soldersmoke.com/book.htm Our coffee mugs, T-Shirts, bumper stickers: http://www.cafepress.com/SolderSmoke Our Book Store: http://astore.amazon.com/contracross-20
Wednesday, October 12, 2011
An HW-7 that Glows in the Dark
You are right, there is a lot of disdain for the HW7 out there.
While looking for a reasonable selection of do-able modifications to the HW7, I observed a sentiment that when all boiled down would sound like this: “Yea, rip out the innards and build a new transceiver in the carcass that is left.”
On the flip side, I have experienced relatively good results from my virgin HW7. Oh yea, I did add dial and meter lighting along with A nice set of Radio Shack Knobs but that is about the extent of the changes.
So Bill, I was wondering if any listeners to Solder Smoke know of a good source of reasonable modifications to the HW7 without inducing an implant? Second, is there a way of adding an S-meter to a direct conversion receiver? Are there any mods that can be lifted from the HW8 or HW9 and applied to the Old Senior HW7?
Thanks & 73’s
Harv WA3EIB Albuquerque, NM
Our book: "SolderSmoke -- Global Adventures in Wireless Electronics"http://soldersmoke.com/book.htmOur coffee mugs, T-Shirts, bumper stickers: http://www.cafepress.com/SolderSmokeOur Book Store: http://astore.amazon.com/contracross-20
Friday, September 23, 2011
HW-7s, CB:"A Gateway Drug", and The Manly Way to Tune a Transmitter
Hi, Bill!
While listening to SS137, you brought back some warm memories.
Bert Sessler, WA3WAW and I both grew up in Uniontown and met via CB – which was a gateway drug to Ham Radio for many of us. Within a fairly short time, we became good friends. Although I moved away some 30 years ago, I always try to get together with him when I’m back in town.
The HW-7 references also reminded me of trips into the nearby hills (being a few years older, I had my driver’s license and car before him) with his HW-7 and some lantern batteries. We’d park my ’69 Chevy Nova and then hike the trails to find some suitable trees for antenna supports. Bert’s code speed was impressive right from the start and he’d work more stations than me, in rapid succession. (How many 25+ WPM Novices do you know?)
Later, I’d get a HW-7 (and TenTec Power Mite 2) for those hikes alone, but it wasn’t quite the same as doing it with a friend. These days, I go to parks in the relatively flat South Jersey or Delaware with a FT-817ND, MFJ-9030 or 20M VXO’d RockMite and TX Topper Amp. Recently, pangs of nostalgia for my HW-7 (and ARC-5 station, for that matter) have arisen. I know the receiver doesn’t stack up against the new stuff I have, but it was certainly good enough for many enjoyable contacts.
Also, John Zaruba, K2ZA, is a good friend of mine here in Gloucester County. I’ve laid hands on the DX-100 you now have. You should have seen the Collins A line John’s dad had in the racks. Everything looked almost factory new.
At our GCARC Hamfest over the weekend, John helped feed my tube addiction with 4 boxes of NOS tubes, shields, etc. I also bought his dad’s Meissner Signal Shifter. After giving it a respectful time to warm up and colorfully glow again (orange, purple and green from the “magic eye”), I attached it to a tungsten lamp – the “manly” way to tune a tube transmitter – and got RF! As it has a balanced 300 ohm output, I have to build a 6:1 balun and hope to have it on the air next week with its characteristic chirp. Hmm, just like the HW-7 and my ARC-5’s of years gone by…
I hope you and your family are enjoying life back in DC. It’s not the milieu of Italy, but at least you’re much closer to a Ham Radio Outlet!
All the best,
Cory – WA3UVV
PS - If you have a desire to home brew a 6L6 transmitter and need a tube, let me know. My mom taught me to share...
Our book: "SolderSmoke -- Global Adventures in Wireless Electronics"http://soldersmoke.com/book.htmOur coffee mugs, T-Shirts, bumper stickers: http://www.cafepress.com/SolderSmokeOur Book Store: http://astore.amazon.com/contracross-20Tuesday, September 20, 2011
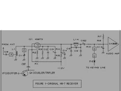
The (much maligned) HW-7 Receiver
My HW-7 benefactor, Mike, WA3O, sent me some files related to this rig. Above, the original receiver. Very simple. Note the 40673 dual-gate MOSFET (often used by Doug DeMaw). The 40673 was implicated in quite a bit of square law detection of shortwave broadcast signals. I don't seem to be having much trouble with this -- could this be the result of the demise of many of the powerful SW broadcast stations? Perhaps the old, standard HW-7 receiver should be given another chance... As I type, I'm listening to 40 meters with this circuit and signals are just pouring in. It works just fine. Here is one of the many mods recommended for the receiver in this rig. I like this one too -- those SBL-1 devices are very nice. They look like ICs, but they are REALLY simple and you can crack them open and see their innards.

Our book: "SolderSmoke -- Global Adventures in Wireless Electronics"http://soldersmoke.com/book.htmOur coffee mugs, T-Shirts, bumper stickers: http://www.cafepress.com/SolderSmokeOur Book Store: http://astore.amazon.com/contracross-20

